Штуцер ЭКОНОВА 7 00 00 00 00 58

Штуцер ЭКОНОВА 7 00 00 00 00 58

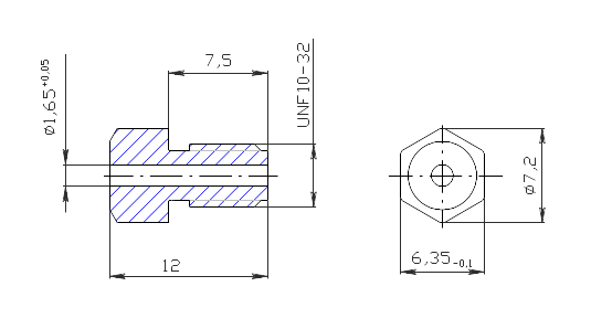
Штуцер для герметичного подключения капилляров Ø 1/16”,под ключ, для гидравлических соединений UNF 10-32, материал нержавеющая сталь (12Х18Н10Т).

  • Описание
  • Характеристики
Описание
Ключевые характеристики
Штуцер для герметичного подключения капилляров Ø 1/16”,под ключ, для гидравлических соединений UNF 10-32, материал  нержавеющая сталь (12Х18Н10Т).

Артикул 7 00 00 00 00 58.